![]() |
|
|||||||||||
| Pliki do pobrania | ||||||||||||
| ||||||||||||
| Dane techniczne | ||||||||||||
| Parametr mierzony | RH- wilgotność powietrza, T- temperatura | |||||||||||
| Zakres temperatur | -30...+105°C* czujnik z kablem | |||||||||||
| Długość elementu pomiarowego | kabel 1,2,4m | |||||||||||

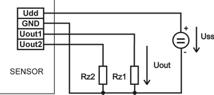
Schemat typowego podłączenie przetwornika.
![]() | Deklaracja zgodności [14kB] |
![]() | Przykład certyfikatu kalibracji [21kB] |

